
Perfiles de Aluminio Estructural
Los perfiles de aluminio estructural de Bosch Rexroth son la base para construir sistemas industriales flexibles, resistentes y completamente configurables. En Ripipsa diseñamos, fabricamos e instalamos estructuras a la medida utilizando perfilería modular de aluminio para proyectos de manufactura, logística interna y automatización. Nuestro enfoque está en crear soluciones robustas, seguras y fáciles de escalar conforme crecen las necesidades de producción.
Somos distribuidores de la marca líder de aluminio estructural
Orgullosamente, somos distribuidores certificados de Bosch Rexroth desde 1992. Con amplia experiencia en el mercado, ofrecemos aluminio estructural y Sistemas de Producción de la mejor calidad en el mercado para la implementación de aplicaciones y procesos automatizados en la industria de producción y manufactura.

El soporte que la industria necesita
Productos de Perfil Estructural
El sistema de perfiles de aluminio estructural permite desarrollar estaciones de trabajo, carritos para manejo de materiales, racks, mesas, guardas de seguridad, dispositivos, protecciones perimetrales y estructuras personalizadas sin soldadura. Cada proyecto se arma con perfiles anodizados, conectores de alta calidad y accesorios compatibles con los estándares globales de Bosch Rexroth.
Gracias a su diseño modular, estos sistemas son ideales para plantas que requieren reconfigurar procesos, ampliar líneas o integrar automatización colaborativa con robots y equipos especializados.
Descubre la variedad de perfiles de aluminio estructural que ofrecemos; cada perfil con distintas características para contar con un amplio y diverso catálogo del que nuestros clientes pueden confiar para la elaboración de su proyecto.
Catálogo de Perfiles de Aluminio Estructural

20x20 mm
Perfiles de aluminio estructural para construcciones ligeras, como soportes pequeños o medianos y estructuras de laboratorio en equipo liviano.

30x30 mm
Perfiles ideales para cargas medias, como carros industriales de carga de equipo y materiales, dispositivos ligeros y objetos de peso medio.

40x40 mm
Perfiles para cargas de peso medio-alto, como mesas de trabajo pesadas, armazones de maquinas, cabinas y sistemas de manipulación, entre otros.

45x45 mm
Perfiles de aluminio estructural para cargas elevadas como mesas de trabajo pesadas, cabinas de producción y sistemas de manipulación o espacios de trabajo.

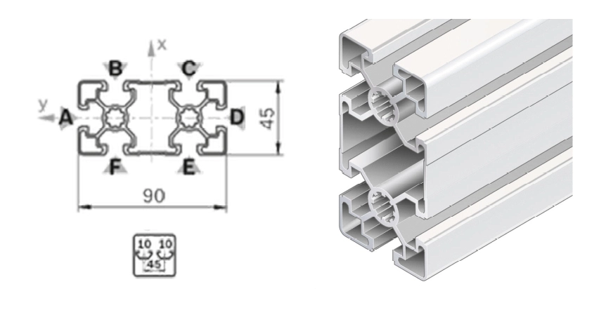
45x90 mm
Perfiles para cargas elevadas como mesas de trabajo pesadas, armazónes de maquinas, cabinas de producción y sistemas de manipulación.

80x80 mm
Perfiles para cargas elevadas como mesas de trabajo pesadas, armazónes de maquinas, cabinas de producción y sistemas de manipulación.

90x90 mm
Perfiles para cargas elevadas como mesas de trabajo pesadas, armazones de maquinas, cabinas de producción y sistemas de manipulación.

EcoShape
Un sistema simple y a la medida para el diseño de líneas completas de montaje, destacado por su implementación sencilla, segura y flexible
Variedad de accesorios para tu perfil de aluminio estructural
Las líneas de perfiles de aluminio estructural se complementan con conectores, bisagras, uniones, ruedas, placas, niveladores, perfilería de refuerzo, puertas, paneles, tornillería y componentes especiales para integrar dispositivos o equipos eléctricos.
Todo lo necesario para creaciones únicas con los perfiles de aluminio estructural, lo encuentras en nuestro repertorio de accesorios; cada uno diseñado con un propósito especifico que cubre sin problema las necesidades de cada proyecto.

T-slot Cover (Perfil de recubrimiento)
- Para fijar cables.
- Para proteger la ranura del perfil de la suciedad.
- Diseño atractivo.
- El perfil de cubrimiento de PVC blando para la ranura de 6 mm se entrega enrollado.
- A ras del perfil

Pata articulada
- Para la compensación de irregularidades del suelo de hasta 5°.
- Husillo y placa base completamente montados.
- Mecanizado de perfiles: rosca en la cámara lateral.
Conoce el potencial del Aluminio Estructural
Descubre los proyectos que podemos desarrollar con Aluminio Estructural de alto grado, y sus integraciones completas con nuestras familias de productos
Aplicaciones de perfiles de aluminio
La calidad de los perfiles de aluminio estructural y el ingenio que aportamos, resulta en soluciones de alto grado que satisfacen requerimientos específicos. Cada proyecto es totalmente realizado con base en las demandas del cliente, los detalles son analizados y se proponen mejoras a la propuesta inicial del cliente para entregar un producto duradero y acorde a nuestros estándares.

Estaciones de trabajo
- Mayor productividad gracias a estaciones de trabajo ergonómicas.
- Tiempos de ensamble reducidos gracias a el surtido de componentes.
- Versión estándar, económica antiestática y EcoShape.
Accesorios: perfil portabin, repisas ajustables descansa pies, mochilas, lámparas, ayudas visuales, descansa brazos, portamonitores, contenedores, brazos articulados.

Guardas de seguridad
Tipos: perimetrales, para maquinaria, cabinas antiruido, cabina oscuran y cuarto controlado.
Accesorios EcoSafe: bisagras, cerraduras, manijas anclas, inserto para panel.
Disponible con: malla cubierta de PVC amarilla y negra, policarbonato, acrílico, ABS y especiales.Diseño y fabricación a la medida que renueva la apariencia de su maquinaria y área de trabajo.

Carros de materiales
Es decisivo saber qué materiales, qué cantidades y en qué recipientes se pondrán, número de piezas y recipientes, así como el tipo, dimensiones y peso.
Carga máxima: 2000 kg
Rodillos XLean: solución económica.
Rodillos Lean: rodillos de colores para visualización de stocks (Kanban). Rodillos Ecoflow: cargas elevadas, producto empacado y sobre pallet.
* Diseños personalizados

Racks dinámicos
- Carros de materiales.
- Para grandes cargas en el transporte y la puesta a disposición de material.
- Acceso ergonómico a las piezas gracias a las placas de apoyo para materiales, regulables en altura, desplazamiento e inclinación.
- Disponible con conductividad ESD.
- Charola ajustable para materiales.
- Ruedas giratorias: para diferentes capacidades de carga, con/sin freno

TS - Transfer Systems
Ancho: Desde 80 mm hasta 1,243 mm.
Capacidad: hasta 2,440 kg (250 kg por pallet).
Velocidad: hasta 18 mts/min.
Disponible con: pallet de aluminio y acero, banda plana, banda dentada, cadena de placas planas y cadena de rodillos, transferencia y elevación,curvas, control de flujo y sistemas de identificación.
* Accesibilidad total al producto.
* Construcción modular.

Tableros Informativos
- Mayor transparencia y calidad gracias a un mejor manejo de la información.
- Ajustable para una postura corporal ergonómica óptima.
- Con ruedas con/sin freno.
Móvil – Mágnetico: con posibilidad de escribir por ambos lados.
Móvil – Imán: para imanes y tornillos.
Móvil – alfiler: para alfileres con superficie mate, uso como pared de proyección.

Charolas Ajustables
- Charolas ajustables para materiales destinadas a la puesta a disposición de cajas (Kanban), materiales, aparatos de medición y otros medios auxiliares en estaciones de trabajo Rexroth.
- Se puede instalar con cualquier inclinación, altura u offset.
- Versiones Económica o Básica.
- Superficie inclinada para una carga y toma sencillas de materiales.
- Múltiples materiales disponibles para las charolas: plásticos de ingeniería, aglomerado, madera, aluminio, acero.

Mamparas divisoras
- Protección de los usuarios en estaciones de líneas de producción.
- Acrilico de 3 mm.
- Fabricadas en perfil de aluminio de 30 mm.
- Diseños personalizados.
- Medidas ajustadas al proyecto
Dimensiones Estándar:
Altura: 2030 mm
Base: 610 mm
Largo: 610 mm y 1220 mm
Perfiles de Aluminio Estructural con altos estándares de calidad
Incontables opciones de integración son posibles gracias a la versatilidad de los perfiles y accesorios de Bosch-Rexroth. Comprometidos con nuestros estándares de calidad, ofrecemos las mejores soluciones de aluminio estructural a nuestros clientes.
Distribuimos nuestro estándar en diversos estados del país
Tijuana, Baja California
Mexicali, Baja California
Saltillo, Coahuila
Nogales, Sonora
Monterrey, Nuevo León
Cd. Juárez, Chihuaua